Upozornění
Tato kapitola neplatí pro Německo a Švýcarsko z důvodu odlišných vnitrostátních předpisů. Pro další informace se obraťte na technické oddělení příslušné země!
Kotvení pomocí pevných a posuvných příponek se provádí dle statických požadavků. Je také nutno zohlednit národní normy a směrnice, které mohou uvádět odlišné specifikace. V níže uvedených tabulkách najdete údaj o minimálním počtu příponek [ks/m²] v závislosti na kategorii území, výšce budovy a základní rychlosti větru.
Uvedené minimální počty příponek zohledňují součinitel bezpečnosti 1,35 a je třeba je chápat jako teoreticky stanovené hodnoty. R = okrajová oblast (koeficient vnějšího tlaku cpe = -2,9), N = normální oblast (koeficient vnějšího tlaku = -1,3).
Územní kategorie II
Tlak základní rychlosti [kN/m²] |
Základní rychlost [m/sek] |
Výška budovy < 15 [m] |
Výška budovy 15–30 [m] |
Výška budovy 30–50 [m] |
N | R [ks/m²] |
N | R [ks/m²] |
N | R [ks/m²] |
||
≤ 0,32 |
≤ 22,5 |
3,7 | 8,2 |
4,3 | 9,7 |
4,9 | 10,9 |
≤ 0,39 |
≤ 25,0 |
4,5 | 10,0 |
5,3 | 11,8 |
6,0 | 13,3 |
≤ 0,47 |
≤ 27,5 |
5,4 | 12,0 |
6,4 | 14,2 |
7,2 | 16,1 |
≤ 0,56 |
≤ 30,0 |
6,4 | 14,3 |
7,6 | 16,9 |
8,6 | 19,1 |
Územní kategorie III
Tlak základní rychlosti [kN/m²] |
Základní rychlost [m/sek] |
Výška budovy < 15 [m] |
Výška budovy 15–30 [m] |
Výška budovy 30–50 [m] |
N | R [ks/m²] |
N | R [ks/m²] |
N | R [ks/m²] |
||
≤ 0,32 |
≤ 22,5 |
3,1 | 7,0 |
3,8 | 8,5 |
4,4 | 9,9 |
≤ 0,39 |
≤ 25,0 |
3,8 | 8,5 |
4,7 | 10,4 |
5,4 | 12,0 |
≤ 0,47 |
≤ 27,5 |
4,6 | 10,2 |
5,6 | 12,5 |
6,5 | 14,5 |
≤ 0,56 |
≤ 30,0 |
5,5 | 12,2 |
6,7 | 14,9 |
7,7 | 17,3 |
Územní kategorie IV
Tlak základní rychlosti [kN/m²] |
Základní rychlost [m/sek] |
Výška budovy < 15 [m] |
Výška budovy 15–30 [m] |
Výška budovy 30–50 [m] |
N | R [ks/m²] |
N | R [ks/m²] |
N | R [ks/m²] |
||
≤ 0,32 |
≤ 22,5 |
2,2 | 5,0 |
2,9 | 6,4 |
3,5 | 7,8 |
≤ 0,39 |
≤ 25,0 |
2,7 | 6,0 |
3,5 | 7,9 |
4,3 | 9,5 |
≤ 0,47 |
≤ 27,5 |
3,3 | 7,3 |
4,2 | 9,5 |
5,2 | 11,5 |
≤ 0,56 |
≤ 30,0 |
3,9 | 8,7 |
5,1 | 11,3 |
6,1 | 13,7 |
Uvedené minimální počty příponek zohledňují součinitel bezpečnosti 1,35 a je třeba je chápat jako teoreticky stanovené hodnoty. R = okrajová oblast (koeficient vnějšího tlaku cpe = -2,9), N = normální oblast (koeficient vnějšího tlaku = -1,3).
Územní kategorie II
Tlak základní rychlosti [kN/m²] |
Základní rychlost [m/sek] |
Výška budovy < 15 [m] |
Výška budovy 15–30 [m] |
Výška budovy 30–50 [m] |
N | R [ks/m²] |
N | R [ks/m²] |
N | R [ks/m²] |
||
≤ 0,32 |
≤ 22,5 |
4,2 | 9,3 |
4,9 | 10,9 |
5,5 | 12,4 |
≤ 0,39 |
≤ 25,0 |
5,1 | 11,3 |
6,0 | 13,3 |
6,8 | 15,1 |
≤ 0,47 |
≤ 27,5 |
6,1 | 13,6 |
7,2 | 16,1 |
8,1 | 18,2 |
≤ 0,56 |
≤ 30,0 |
7,3 | 16,2 |
8,6 | 19,1 |
9,7 | 21,6 |
Územní kategorie III
Tlak základní rychlosti [kN/m²] |
Základní rychlost [m/sek] |
Výška budovy < 15 [m] |
Výška budovy 15–30 [m] |
Výška budovy 30–50 [m] |
N | R [ks/m²] |
N | R [ks/m²] |
N | R [ks/m²] |
||
≤ 0,32 |
≤ 22,5 |
3,5 | 7,9 |
4,3 | 9,6 |
5,0 | 11,2 |
≤ 0,39 |
≤ 25,0 |
4,3 | 9,6 |
5,3 | 11,7 |
6,1 | 13,6 |
≤ 0,47 |
≤ 27,5 |
5,2 | 11,6 |
6,3 | 14,1 |
7,4 | 16,4 |
≤ 0,56 |
≤ 30,0 |
6,2 | 13,8 |
7,6 | 16,9 |
8,8 | 19,5 |
Územní kategorie IV
Tlak základní rychlosti [kN/m²] |
Základní rychlost [m/sek] |
Výška budovy < 15 [m] |
Výška budovy 15–30 [m] |
Výška budovy 30–50 [m] |
N | R [ks/m²] |
N | R [ks/m²] |
N | R [ks/m²] |
||
≤ 0,32 |
≤ 22,5 |
2,5 | 5,6 |
3,3 | 7,3 |
4,0 | 8,9 |
≤ 0,39 |
≤ 25,0 |
3,1 | 6,8 |
4,0 | 8,9 |
4,8 | 10,8 |
≤ 0,47 |
≤ 27,5 |
3,7 | 8,2 |
4,8 | 10,7 |
5,8 | 13,0 |
≤ 0,56 |
≤ 30,0 |
4,4 | 9,8 |
5,7 | 12,8 |
6,9 | 15,5 |
Upozornění
Bez ohledu na vypočtené hodnoty nesmí rozteč příponek překročit v oblasti pevného připnutí 330 mm a v oblasti posuvného připnutí 500 mm. V oblasti zařízení připevněných na drážky (protisněhové prvky, spodní konstrukce FV, bezpečnostní prvky) nesmí být rozteč příponek větší než 330 mm!
Výpočet rozteče příponek na základě šířky pásu a požadovaného počtu příponek/m².
100 (Šířka pásu [m] × počet příponek [ks/m²]) = rozteč příponek [cm] [max. rozteč příponek 50 cm, max. rozteč pevných příponek 33 cm]
Poznámka
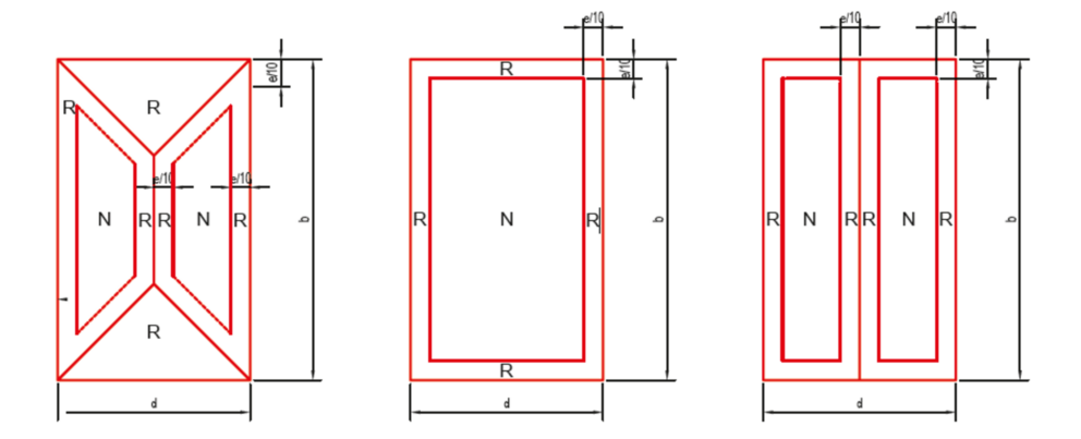
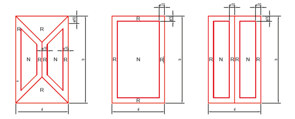
e = b nebo 2*h (rozhodující je nižší hodnota) – vzdálenost se vztahuje k základní ploše
ed = odstupová míra na střešní ploše; ed = (e/10) / (cos)
b = největší šířka budovy
h = největší výška budovy
a = sklon střechy
Příklad
Oblast |
Innsbruck |
|---|---|
Budovy v územní kategorii |
II |
Největší výška budovy |
10,5 m |
Základní rychlost |
27,1 m/sek |
Max. šířka pásu podle tabulky 1 |
43 cm |
Počet příponek pro okrajovou oblast podle tabulky 2 |
12,0 ks/m² |
Počet příponek pro normální oblast podle tabulky 2 |
5,4 ks/m² |
Okrajová oblast (R) = 100 : (0,43 m × 12,0 ks/m²) = 19,4 cm → 19 cm rozteč příponek [max. rozteč příponek 50 cm, max. rozteč pevných příponek 33 cm]
Normální oblast (N) = 100 : (0,43 m × 5,4 ks/m²) = 43,1 cm → 43 a 33 cm rozteč příponek [max. rozteč příponek 50 cm, max. rozteč pevných příponek 33 cm]
Lze stáhnout pouze obsah z jedné kategorie produktů. Pokud potřebujete obsah z více kategorií, vytvořte prosím pro každou produktovou oblast samostatný soubor ke stažení.