Inspirace Reference PREFA konfigurátor střechy & fasády Fotomontáž Stavební Tipy
Produkty Střecha Fasáda Odvodnění střech Solar Protipovodňová ochrana Svitky & Plechy
Servis PREFA konfigurátor střechy & fasády Fotomontáž Objednat prospekty Nabídka na míru Montážní firma ve vašem okolí Vyžádání záručního certifikátu Veletrhy Otázky a odpovědi Pro realizační firmy Pro architekty
Výhody Materiál hliník Speciální témata
O firmě O nás Nabídka pracovních míst Aktuality Pro tisk
Kontakt Kontakty - PREFA Tým Ozveme se vám zpět! Objednat prospekty Přihlásit se k odběru novinek
Reference Referenční objekty Špičková architektura Galerie sanací
Stavební Tipy Rekonstrukce střechy Rekonstrukce fasády Ztvárnění fasády Fasády ze dřeva a hliníku Střešní krytina pro každý tvar střechy Fotovoltaika jednoduše vysvětlená Hliníková střecha s optikou pálené tašky
Pro realizační firmy Portál pro řemeslníky / MÁ PREFA - přihlášení Webshop PREFA Academy Školicí program - termíny Montážní příručka & Videa Propagační materiály, logo, vzorová objednávka
Pro architekty Zobrazit PREFARENZEN Objednat knihu a šanon pro architekty Centrum pro stahování BIM
Materiál hliník Záruka 40 let Udržitelnost Kompletní systém Odolné proti větru
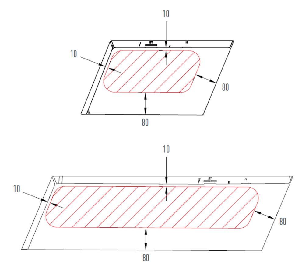
Pokud budete na fasádu něco montovat (např. svítidla), dbejte při montáži na přípustnou montážní oblast fasádních šindelů. Pokud nelze oblast možného umístění dodržet, je třeba použít nafalcovanou montážní podložku.
Lze stáhnout pouze obsah z jedné kategorie produktů. Pokud potřebujete obsah z více kategorií, vytvořte prosím pro každou produktovou oblast samostatný soubor ke stažení.