Rozměry a tolerance dle EN 612
Žlabový hák |
Délka [mm] |
Rozdíl proti standardní délce [mm] |
|
Žlabový hák 250 |
335 |
||
Žlabový hák 250 (kr.) |
287 |
- |
48 |
Žlabový hák 280 |
347 |
||
Žlabový hák 280 (kr.) |
297 |
- |
50 |
Žlabový hák 280 (prodl.) |
445 |
+ |
98 |
Žlabový hák 333 |
383 |
||
Žlabový hák 333 (kr.) |
312 |
- |
71 |
Žlabový hák 333 (prodl.) |
473 |
+ |
90 |
Žlabový hák 400 |
452 |
Hranatý žlabový hák |
Délka [mm] |
Hranatý žlabový hák 250 |
325 |
Hranatý žlabový hák 333 |
370 |
Hranatý žlabový hák 400 |
435 |
Hranatý žlabový hák 500 |
455 |
Žlabový hák římsový |
Délka [mm] |
Žlabový hák římsový 250 |
135 |
Žlabový hák římsový 280 |
139 |
Žlabový hák římsový 333 |
154 |
Římsový hák pro hranatý žlab |
Délka [mm] |
Římsový hák pro hranatý žlab 250 |
130 |
Římsový hák pro hranatý žlab 333 |
145 |
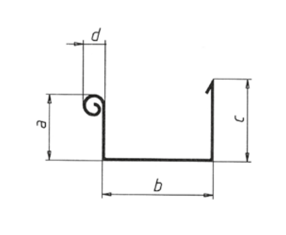
rozměr střešního žlabu |
Přední strana a |
Zadní strana c |
Žlab e |
Návalka d |
250 (8díl.) |
61 |
72 |
110 |
19 |
280 (7díl.) |
67 |
78 |
126 |
19 |
333 (6díl.) |
87 |
98 |
153 |
19 |
400 (5díl.) |
110 |
121 |
192 |
19 |
Rozměry v mm
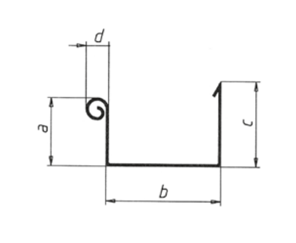
rozměr střešního žlabu |
Přední strana a |
Zadní strana c |
Žlab e |
Návalka d |
250 (8díl.) |
54 |
63 |
86 |
19 |
333 (6díl.) |
75 |
93 |
120 |
19 |
400 (5díl.) |
92 |
113 |
150 |
19 |
500 (4díl.) |
114 |
142 |
200 |
19 |
Rozměry v mm
Roh žlabu 90° (vnější) |
Délka [mm] |
Roh žlabu 250 |
300 |
Roh žlabu 280 |
300 |
Roh žlabu 333 |
300 |
Roh žlabu 400 |
340 |
Roh žlabu 90° (vnitřní) |
Délka [mm] |
Roh žlabu 250 |
300 |
Roh žlabu 280 |
300 |
Roh žlabu 333 |
300 |
Roh žlabu 400 |
340 |
roh hranatého žlabu 90° (vnější) |
Délka [mm] |
Roh hranatého žlabu 250 |
300 |
Roh hranatého žlabu 333 |
300 |
Roh hranatého žlabu 400 |
300 |
Roh hranatého žlabu 500 |
370 |
roh hranatého žlabu 90° (vnitřní) |
Délka [mm] |
Roh hranatého žlabu 250 |
300 |
Roh hranatého žlabu 333 |
300 |
Roh hranatého žlabu 400 |
300 |
Roh hranatého žlabu 500 |
350 |
Lze stáhnout pouze obsah z jedné kategorie produktů. Pokud potřebujete obsah z více kategorií, vytvořte prosím pro každou produktovou oblast samostatný soubor ke stažení.